Một ngày nhận 3 Động Cơ 75kw và 1 đầu nén 75kw
Tất bật sau cơn bão lớn tại miền bắc của CTS
Thiệt hại của bão quá nặng nề với Doanh Nghiệp về kinh tế có dân thì mùa màng doanh nghiệp thì máy móc.
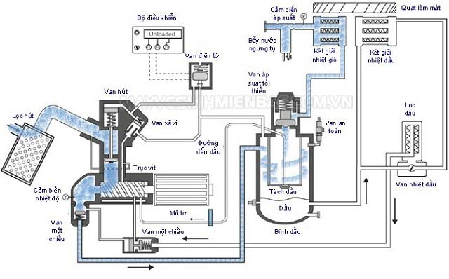
Khác với những loại máy nén khí thông thường, máy nén khí trục vít là loại máy sử dụng chuyển động của 2 trục vít để đưa khí từ môi trường vào bên trong bình chứa khí. Sau đó, lượng khí này sẽ được nén lại, cung cấp cho các thiết bị khác.
Máy nén khí trục vít được sử dụng nhiều trong các ngành công nghiệp xây dựng và sản xuất.
Máy nén khí trục vít được chia làm 2 loại chính, máy nén khí trục vít có dầu và máy nén khí trục vít không dầu.
2 loại máy này cho ra 2 lượng khí khác nhau, lượng khí từ máy nén khí không dầu chính là lượng khí sạch, tinh khiết, không lẫn dầu, không mùi. Còn lượng khí từ máy lọc khí có dầu thì ngược lại, khí có lẫn dầu, không tốt cho sức khỏe và môi trường.

Thế nhưng, nhìn chung cấu tạo cơ bản của 2 loại máy này tương đối giống nhau, đều gồm các bộ phận chính:
Đây có thể được xem là bộ phận quan trọng nhất của máy nén khí trục vít, còn được ví như là “trái tim” của máy, gồm có 2 trục vít xoắn. Khi máy hoạt động, 2 trục vít này sẽ xoay ngược hướng nhau, từ đó, không khí bắt đầu bị hút vào bên trong bình chứa và bị nén lại.
Cụm đầu nén được thiết kế sao cho lượng khí được hút vào và nén lại đến mức tối đa. Đây chính là nơi diễn ra hoạt động nén khí.
Đây chính là bộ phận được thiết kế để đảm bảo sự trơn tru và liên tục của 2 trục vít. Sau khi đồng tâm tại bánh răng, 2 trục vít sẽ bắt đầu một vòng quay mới ăn khớp với nhau.
Đây là bộ phận cơ bản của một máy nén khí nói chung và máy nén khí trục vít nói riêng. Van một chiều được thiết kế để đảm bảo lượng khí được hút từ môi trường sẽ đi theo một chiều nhất định từ cụm đầu nén tới bình lọc khí, ngăn không cho khí đi theo chiều ngược lại.
Nhờ đó, tránh được các sự cố về rò rỉ khí, hạn chế lượng khí bị thất thoát.
Đây chính là bộ phận dùng để giữ áp suất khí ở một mức ổn định. Trong quá trình hoạt động của máy, khi áp suất của lượng khí được đưa vào có dấu hiệu gia tăng đột ngột, van an toàn này sẽ mở ra, giải phóng áp suất dư thừa trong bình ra bên ngoài.
Van an toàn sẽ đảm bảo áp suất khí trong bình luôn ổn định, phù hợp với quá trình làm việc của máy nén khí trục vít.
Đây là bộ phận giúp loại bỏ bớt bụi bẩn và tạp chất trong lượng khí được hút từ môi trường vào bên trong máy, đảm bảo lượng khí trong máy là khí sạch.

Bộ phận lọc khí đầu vào của máy nén khí
Cũng vì lý do này, lọc khí đầu vào là bộ phận cần được vệ sinh, bảo dưỡng thường xuyên vì nó ảnh hưởng trực tiếp đến lượng khí từ máy nén và hiệu quả làm việc của máy. Ngoài ra, nếu để bụi bẩn bám lại quá nhiều, sẽ làm tăng điện năng tiêu thụ của máy.
Tương tự như lọc khí, lọc dầu có tác dụng làm sạch lượng dầu được đưa vào trong máy, loại bỏ bụi và các cặn bẩn.
Nếu như các tạp chất này không bị loại bỏ, chúng có thể làm trầy xước, thậm chí ăn mòn các bộ phận khác bên trong máy, ảnh hưởng trực tiếp đến hiệu quả làm việc và tuổi thọ của máy.
Máy nén khí trục vít hoạt động theo nguyên lý thay đổi thể tích. Trong quá trình hoạt động, động cơ máy sẽ làm cho 2 trục vít xoay với tốc độ cực nhanh, làm cho thể tích 2 trục vít và buồng nén nhỏ dần, tạo ra áp suất khí.
Lượng khí đi vào máy, qua bộ phận lọc khí đầu vào, sau khi đã được loại bỏ bụi bẩn và tạp chất, lượng khí này sẽ được nén lại trong bình hơi của máy lọc khí. Sau đó, thông qua ống dẫn, lượng khí này sẽ được phân phối tới các thiết bị khác, phục vụ cho các hoạt động sản xuất, xây dựng,…

Đường đi của khí qua máy nén khí trục vít
Nguyên lý làm việc cơ bản của máy nén khí trục vít có dầu và không dầu khá giống nhau, chỉ khác nhau ở lượng dầu được đưa vào bên trong để khiến cho hoạt động nén khí được trơn tru và mềm mại hơn, đồng thời cũng tăng tuổi thọ của các bộ phận bên trong máy.
Tùy theo các hãng sản xuất mà cách bố trí các bộ phận trong máy có thể khác nhau, nhưng về cấu tạo và nguyên lý làm việc thì giữa các máy nén khí trục vít không có quá nhiều khác biệt.
Loại máy nén khí tốt và được các doanh nghiệp lớn ưa chuộng hiện nay chính là loại máy nén khí trục vít IR được sản xuất tại Hoa Kì. Với cấu tạo nhỏ, gọn, hiệu suất làm việc cao, quá trình vận hành êm ái,… không quá khó hiểu khi máy nén khí trục vít IR đang dần khẳng định vị thế của mình trên thị trường ngành công nghiệp khí nén.
Công ty TNHH Cơ Điện CTS – nhà phân phối chính hãng các sản phẩm máy nén khí IR tại Việt Nam, chuyên cung cấp các sản phẩm và dịch vụ liên quan đến máy nén khí nói chung và máy nén khí Ingersoll Rand nói riêng.
Đặc biệt, công ty mang đến những dòng sản phẩm nổi bật của Ingersoll Rand như máy nén khí Sirc, máy biến tần Sirc,…
Mọi thắc mắc liên quan đến các sản phẩm và dịch vụ của công ty chúng tôi, vui lòng liên hệ đến hotline 0948 050 211 để được tư vấn.
Công ty TNHH Cơ Điện CTS hân hạnh được phục vụ quý khách!
Xem thêm : Hướng dẫn cách chỉnh áp suất máy nén khí
Danh mục bài viết
Bài viết liên quan
Một ngày nhận 3 Động Cơ 75kw và 1 đầu nén 75kw
Tất bật sau cơn bão lớn tại miền bắc của CTS
Thiệt hại của bão quá nặng nề với Doanh Nghiệp về kinh tế có dân thì mùa màng doanh nghiệp thì máy móc.
Đại Tu Động Cơ Máy 75 Kw cà 2 đầu nén
Một Ngày Nhận 3 Động Cơ Cần Đại Tu
Bảo Dưỡng 5 máy Ingersoll Rand và máy Atlas Copco 110kw Tại Thanh Hóa
Bảo Dưỡng 5 máy Ingersoll Rand và máy Atlas Copco 110kw Tại Thanh Hóa
Miễn Phí Thăm Khám 2 máy Hitachi 22 Kw
Kiểm tra máy nén khí Hitachi 22Kw
Hitachi là hãng máy nén khí tầm trung trên thế giới cũng là máy thương hiệu nổi tiếng châu á xuất xứ Nhật Bản.
Hiệu suất tiết kiệm năng lượng so với atlas, ingersoll rand thì không thể bằng nhưng về độ bền cũng không hề kém cạnh. Hiachi ở Việt Nam đang nổi tiếng là dòng máy nhật bãi được nhiều nhà đầu tư chú ý.
Bảo Dưỡng Hai Máy Nén Khí Compkorea và Botex
Bảo Dưỡng Hai Máy Nén Khí Compkorea và Botex
Bảo Dưỡng 2 máy 37 kw SMARTAIR
Máy nén khí SMAT AIR của Trung quốc công suất 37kw
Áp : 8 bar
Lưu Lượng : 6,2 m3/min
Tình trạng máy số 1 chảy dầu đầu nén, thước thăm dầu máy chạy bình thường, nhiệt độ ổn định.
Máy số 2 vỡ kính thăm dầu, nhiệt độ cao
Cả hai máy vỡ khớp nối mềm
Quá Trình Đại Tu Máy Nén Khí Hitachi 55kw của CTS
Nhận được thông tin khách báo máy lên áp kém, lưu lượng khí không đủ.
Kinh doanh CTS Mr Công : 0912 000 211 Xách va ly lên đường, vượt qua 130km đến địa điểm khách hàng xung quanh là bùn đất lầy lội đi khoảng 300m tới phòng mày trước mắt là máy nén khí Hitachi 55kw toàn thân phù kín bùn đất " Ông Thần Đất ".
Bước đầu trao đổi thông tin với người trực tiếp quản lý phòng máy, anh cho hay : con máy này hiện chỉ chạy hỗ trợ không thể chạy liên tục được vì nó không đủ áp và không được nghỉ chạy lâu nhiệt độ tăng cao.
Và tôi tiến hành chạy máy khảo sát kết quả đáng gờm.
TẦM QUAN TRỌNG CỦA BỘ LỌC DẦU MÁY NÉN KHÍ
Như chúng ta đều biết, bộ lọc dầu máy nén khí có chức năng vô cùng quan trọng trong việc loại bỏ các cặn bẩn và tạp chất có chứa trong dầu, giúp bảo vệ đầu nén – trái tim của máy nén khí khỏi các tác hại tấn công. Tuy nhiên, việc thực sự nghiêm túc lựa chọn một bộ lọc dầu cho máy nén khí thì không phải ai cũng làm đúng.
NGUYÊN NHÂN MÁY NÉN KHÍ BỊ ĐÓNG KEO DẦU VÀ CÁCH XỬ LÝ TRIỆT ĐỂ
Bình thường, dầu máy nén khí làm 4 chức năng: Làm mát, bôi trơn, làm kín các khe hở trục vít và chống gỉ. Tuy nhiên, vì các lý do khác nhau mà dầu này không còn hoạt động đúng chức năng và gây ra các vấn đề liên quan tới keo dầu máy nén khí.
Đại Tu Máy Nén Khí Ingersoll Rand
Chia sẻ về quá trình đại tu máy nén khí Ingersoll Rand
Khảo sát chuẩn bị triển khai bảo dưỡng hệ thống máy khủng
Khảo Sát Bảo Dưỡng Máy Ingersoll Rand 315Kw
Máy Ingersoll Rand Công Suất 315Kw
Khi Nào Cần Bảo Dưỡng Máy Nén Khí
Máy Nén Khí Cũ Khi Nào Cần Bảo Dưỡng
Bảng Chào Giá Máy Nén Khí Mới Nhất Năm 2022
Công ty TNHH Cơ Điện CTS
Đơn vị chuyên cung cấp sản phẩm Máy Nén Khí Ingesoll Rand dòng GDK sản phẩm kết hợp với Gardner Denver. Chúng tôi nhận cung cấp các sản phẩm máy nén khí.
Báo Giá Máy Nén Khí Ingersoll Rand Dowload
Báo Giá Máy Nén Khí Gardner Denver Dowload
Báo Giá Máy Nén Khí Fini Dowload
Báo Giá Máy Nén Khí Hitachi Dowload
Báo Giá Máy Nén Khí Atlas copco Dowload
Báo Giá Máy Nén Khí Cũ Dowload
Báo Giá Máy Nén Khí Nhật Bãi Dowload
Báo Giá Máy Nén Khí Oilfree Dowload
Báo Giá Máy Nén Khí Trục Vít Không Dầu Dowload
Báo Giá Máy Nén Khí Có Dầu Dowload
Báo Giá Máy Sấy Khí Jmec Dowload
Báo Giá Máy Sấy Khí Ingersoll Rand Dowload
Báo Giá Máy Sấy Khí ATS Dowload
Báo Giá Máy Sấy Khí Kimair Dowload
Báo Giá Máy Sấy Khí Cũ Dowload
Báo Giá Lọc Khí Ingersoll Rand Dowload
Báo Giá Lọc Khí Gardner Denver Dowload
Báo Giá Lọc Khí Fini Dowload
Báo Giá Lọc Khí Hitachi Dowload
Báo Giá Lọc Khí Atlas Copco Dowload
Báo Giá Vật Tư Tiêu Hao Máy Nén Khí
Máy Nen Khí Công Nghiệp Gardner Denver GDK
Máy Nén Khí Công Nghiệp Gardner Denver GDK
Tháng 11 Năm 2021 với sự bùng nổ mạnh mẽ của Gardner Denver khẳng định vị trí trên thị trường về mẫu mã, thiết kế và chất lượng. Gardver Denver cho thấy sự khác biệt của mình đối với ngành công nghiệp đang phát triền trên thị trường ngày nay. Cùng với những lợi thế vốn có và những chuyên gi trong nghành khí nén Gardner Denver đã ra mắt thị trường sản phẩm mới mẫu mã và kiểu dáng mới dòng máy GDK.
Máy Nén Khí GDK
Máy Nén Khí GDK có kiểu dáng và màu sắc kế thửa những dòng máy cũ mang thương hiệu của Gardner Denver màu sắc chủ đạo Đỏ và Trắng. Tùy vào các dòng máy có công suất khác nhau sẽ có kích thước và trọng lượng khác nhau nhưng tất cả đều chung một chất lượng sơn cách điện và chịu nhiệt tốt, bền bỉ cùng thời gian.
Tài Liệu Về Máy Nén Khí Ingersoll Rand
Tài Liệu Về Máy Nén Khí Ingersoll Rand
Công ty TNHH Cơ Điện CTS
Đơi vị đại lý ủy quyền Ingersoll Rand tại Việt Nam
Cung cấp dịch vụ sửa chữa, bảo dưỡng, bảo trì máy nén khí
Phụ tùng tiêu hao và linh kiện
Chúng tôi xin Chia sẻ tài liệu để quý khách hàng lắm vững quy cách vận hành và bảo trì bảo dưỡng máy nén khí.
Bình Luận